Home

UMA1014
Low-power frequency synthesizer for mobile radio communications

GENERAL DESCRIPTION
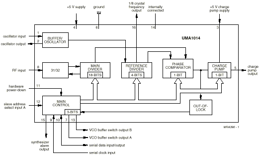
The UMA1014 is a low-power universal synthesizer which has been designed for use in channelized radio communication. The IC is manufactured in bipolar technology and is designed to operate at 5 to 100 kHz channel spacing with an RF input from 50 to 1100 MHz. The channel is programmed via a standard I2C-bus. A low-power sensitive RF divider is incorporated together with a dead-zone eliminated, 3-state phase comparator. The low-noise charge pump delivers 1 mA or 1/2 mA output current to enable a better compromise between fast switching and loop bandwidth. A power-down circuit enables the synthesizer to be set to idle mode.
FEATURES
· Single chip synthesizer; compatible with Philips cellular radio chipset
· Fully programmable RF divider
· I 2 C interface for two-line serial bus
· On-chip crystal oscillator/TCXO buffer from 3 to 16 MHz
· 16 reference division ratios allowing 5 to 100 kHz channel spacing
· 1/8 crystal frequency output
· On-chip out-of-lock indication
· Two extra VCO control outputs
· Latched synthesizer alarm output
· Status register including out-of-lock indication and power failure
· Power-down mode.

APPLICATIONS
· Cellular mobile radio (NMT, AMPS, TACS)
· Private mobile radio (PMR)
· Cordless telephones.

PinNameDescription
1OSCINOscillator or TCXO input
2OSCOUTOscillator output
3VCP5V charge pump supply
4VCC5V supply
5PCDCharge pump output
6GNDGround
7VCOAVCO buffer switch output A (including out-of-lock)
8RFRF input
9SCLSerial clock input
10SDASerial data input/output
11HPDHardware power-down (active LOW)
12SAASlave address select input A
13VCOBVCO buffer switch output B
14i.c.Internally connected
15SYASynthesizer alarm output
16FX81/8 crystal frequency output




CB Radio Banner Exchange