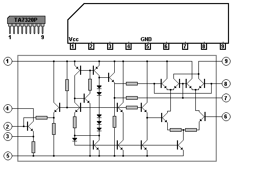
TA7320P
RL7320
Duble Balanced Modulator/Demodulator/Mixer
Pin
Name
Description
1
Vcc
Positive Supply Voltage
2
Input
3
4
Output
5
GND
Ground
6
Input
7
8
Input
9
Output
CB Radio Banner Exchange