Home

AN103
KIA6410S
KIA7310P
SK3445
TA7310P

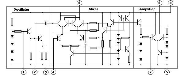
Oscillator, Mixer and Amplifier
VCO for Phase Lock Loop (PLL)

Features:
 Double Balanced Mixer
 Emitter Follower Circuit
 Differential Amplifier
 Wide Operating Supply Voltage Range

PinNameDescription
1Oscillator Input
2Oscillator Output
3Oscillator Output - Buffered
4Mixer Input
5GNDGround
6Mixer Output
7Amplifier Input
8VccPositive Supply Voltage - 9 Volt
9Amplifier Output


CB Radio Banner Exchange