Home

SP8720
300MHz Frequency Divider
Divided by 3/4


Description
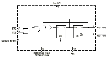
The SP8720 is an ECL two-modulus divider, with ECL10K compatible outputs. It divides by 3 when either of the ECL control inputs, PE1 or PE2, is in the high state and by 4 when both are low (or open circuit). An AC coupled input of 600mVp-p is required.
FEATURES
- ECL Compatible Outputs
- AC-Coupled Input (Internal Bias)
- Control Inputs ECL III/10K Compatible




CB Radio Banner Exchange