Home

MB1512 PLL Frequency Synthesizer

LOW POWER SERIAL INPUT PLL SYNTHESIZER WITH 1.1GH Z PRESCALER
The Fujitsu MB1512, utilizing BI-CMOS technology, is a single chip serial input PLL synthesizer with pulse-swallow function.
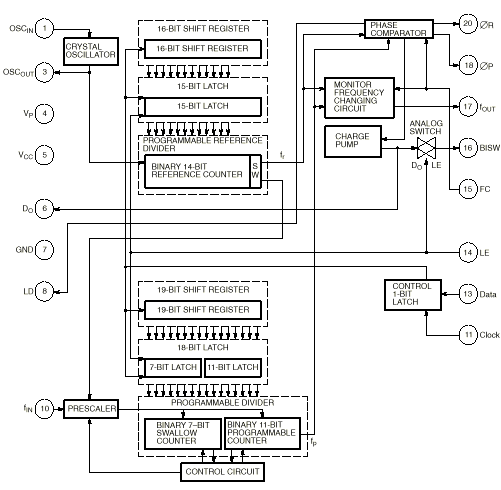
The MB1512 contains a 1.1 GH Z two modulus prescaler that can select of either 64/65 or 128/129 divide ratio, control signal generator, 16-bit shift register, 15-bit latch, programmable reference divider (binary 14-bit programmable reference counter), 1-bit switch counter, phase comparator with phase conversion function, charge pump, crystal oscillator, 19-bit shift register, 18-bit latch, programmable divider (binary 7-bit swallow counter and binary 11-bit programmable counter) and analog switch to speed up lock up time.
It operates with a supply voltage of 5V typ. and achieves very low supply current of 8mA typ. realized through the use of Fujitsu Advanced Process Technology.

&127; High operating frequency: f IN MAX =1.1GH Z (P IN MIN =–10dBm)
&127; Pulse swallow function: 64/65 or 128/129
&127; Power supply voltage: V CC =4.5 to 5.5V
&127; Low supply current: I CC =8mA typ.
&127; Serial input 18-bit programmable divider consisting of:
Binary 7-bit swallow counter: 0 to 127
Binary 11-bit programmable counter: 16 to 2047
&127; Serial input 15-bit programmable reference divider consisting of:
Binary 14-bit programmable reference counter: 8 to 16383
1-bit switch counter (SW) sets divide ratio of prescaler
&127; On-chip analog switch achieves fast lock up time
&127; 2types of phase detector output
On-chip charge pump (Bipolar type)
Output for external charge pump
&127; Wide operating temperature: –40°C to +85°C
&127; 20-pin Plastic Shrink Small Outline Package


CB Radio Banner Exchange