Home

MB1507 PLL Frequency Synthesizer

PIN-description
SERIAL INPUT PLL FREQUENCY SYNTHESIZER WITH 2.0GH Z PRESCALER

The MB1507 is a single chip serial input PLL frequency synthesizer designed for Broadcast Satelite tuner and cellular telephone applications.
It contains a 2.0 GH Z dual modulus prescaler which enables pulse swallow function, and an analog switch to speed up lock up time.
It operates supply voltage of 5.0V typ. and dissipates 18mA typ. of current realized through the use of unique U-ESBIC Bi-CMOS technology.
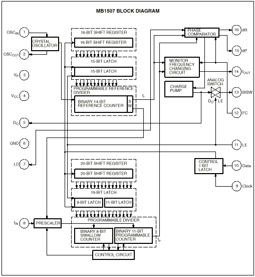
Block Diagram

&127; High operating frequency: f IN MAX =2.0GH Z (P IN MIN =–4dBm)
&127; Pulse swallow function: 128/129 or 256/257
&127; Low supply current: I CC =18mA typ.
&127; Serial input 19-bit programmable divider consisting of:
Binary 8-bit swallow counter: 0 to 255
Binary 11-bit programmable counter: 16 to 2047
&127; Serial input 15-bit programmable reference divider consisting of:
Binary 14-bit programmable reference counter: 8 to 16383
1-bit switch counter (SW) Sets divide ratio of prescaler
&127; On-chip analog switch achieves fast lock up time
&127; 2types of phase detector output
On-chip charge pump (Bipolar type)
Output for external charge pump

Explanation of pin function terms



CB Radio Banner Exchange