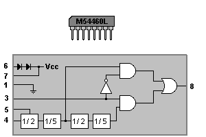
M54460L Frequency Divider
Divided by 10
Divided by 100
Pin
Name
Description
1
GND
Ground
2
NC
No Connection
3
MS
Mode Select - Divide by 10 / Divide by 100
4
I
Input
5
DC
Decoupling
6
V
CC
Positive Supply Voltage - 5 Volt
7
V
REF
8
Out
Output
CB Radio Banner Exchange