Home

LM3028 RF Amplifier

Similar to TA7045 CA3028 CA3053

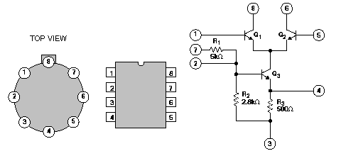
The CA3028A and CA3028B integrated circuits are single-stage differential amplifiers. Each circuit also contains a constant-current transistor and suitable biasing resistors. The circuits are primarily intended for service in communications systems operating at frequencies up to 120MHz with single power supplies. This Note provides technical data and recom-mended circuits for use of the CA3028A and CA3028B in the following applications:
&127; RF Amplifier
&127; Autodyne Converter
&127; IF Amplifier
&127; Limiter

PinNameDescription
1Input High
2I Source
3Substrate
4I Source Em.
5Input Low
6Output High
7AGC (AutomaticGainControl)
8Output Low


CB Radio Banner Exchange