Home

LC7152 PLL Frequency Synthesizer

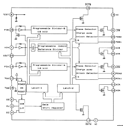
Universal Dual-PLL Frequency Synthesizers

Overview
The LC7152, 7152M, 7152NM, 7152KM are universal dual-PLL frequency synthesizers for use in weak signal type cordless telephone applications in the USA, South Korea, and Japan, and broadcast satellite (BS) tuners in the USA and Europe.
Features
. Dual charge pump built in for fast channel switching
. Digital lock detector enables PLL lock status check with crystal oscillator precision
. Programmable reference frequency divider supports various applications
. The LC7152NM is a built-in power-on reset circuit version of the LC7152M
. The LC7152KM is an enhanced frequency characteristics version of the LC7152M

Functions
. 2-system PLL built-in (dual PLL)
. 16-bit programmable local-oscillator divider 1.5 to 55 MHz (V DD = 2.0 to 3.3 V), LC7152KM: 55 to 80 MHz (V DD = 2.7 to 3.3 V)
. 14-bit programmable reference-frequency divider 320 Hz to 640 kHz reference frequency using a 10.24 MHz crystal oscillator
. Digital lock detector
. Dual charge pump
. Amplifier built-in for an active LPF
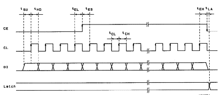
. Serial transmission data input (CCB format)
. LC7152NM with power-on reset circuit (pins OUTA and OUTB become open at power-on)
. 2.0 to 3.3 V supply voltage
. DIP24S and MFP24S packages

Serial Data Input Timing
Serial Data Input Timing

Divide Ratio of Reference Divider
Serial Data to Reference Divider

Divide Ratio of Programmable Divider
Serial Data to Programmable Divider




CB Radio Banner Exchange