Home

LA1600 One-Band AM-Radio

Overview
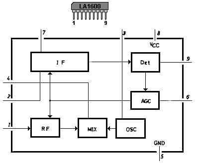
The LA1600, being an AM tuner IC placed in a 9-pin SIP, provides the functions of an AM tuner. It is usable in the band range up to SW band and is especially suited for use in low-cost AM radios and radio-controlled receivers.

Functions
&127; AM : RF amp, MIX, OSC, IF amp, detector, AGC.
Features
&127; Minimum number of external parts required.
&127; Low current drain (3.7mA).


CB Radio Banner Exchange