Home

LA1245 AM Electronic Tuner

Similar to NTE1608


Overview
LA1245 is a high performance IC to be used as an AM electronic tuner. It provides an automatic search-stop signal, local oscillator buffer-output, and the low level local oscillation, as well as providing all other functions required of an AM tuner. Moreover, the stable local oscillation from LW to SW facilitates the use of many band.

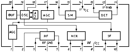
Functions
&127; RF amplifier &127; MIX &127; OSC (with ALC) &127; Detection
&127; IF amplifier &127; AGC &127; Local oscillation buffer-output
&127; Signal meter driving output (also used as an automatic search stop-signal)
&127; etc.

Features
&127; Narrow-band signal meter : Available as an automatic search-stop signal (also available as a wide-band signal meter). Signal meter output=1/2 frequency ±1.5kHz typ.
&127; Local oscillation buffer-output : Facilitates the design of electronic tuning systems and frequency representation.
&127; OSC (with ALC) : The oscillation output is stabilized at a low level (350 mVrms) for a varactor diode, and tracking error is minimized.
&127; RF amplifier : Excellent in usable sensitivity by incorporating low-noise transistors in cascode circuit (45dB/m typ).
&127; MIX : Double balanced
differential MIX prevents the influence of spurious radiation and IF interferences (IF interference = 85dB typ).
&127; Low noise : Excellent in S/N for intermediate input (57dB typ).
&127; Compensation for V CC fluctuation : Allows little gain fluctuation and little distoriton fluctuation (8 to 16 V).
&127; Low shock noise : Able to decrease the shock noise by selecting AGC time constant when changing V CC -on and/or switching the mode.





CB Radio Banner Exchange