LA1061 Antenna Switching Controller

Overview
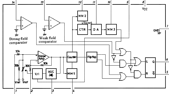
The LA1061M is an antenna switching controller for
mobile radio equipment.
The LA1061M uses a number of inputs from the receiver
circuitry to select the main antenna or sub-antenna
according to signal strength and quality. Weak and strong
signals are detected with the S-meter DC voltage and F.E.
AGC voltage, respectively.
Multi-path distortion is
detected from the AC component of the IF output, using
the same high-sensitivity counter circuit as in Sanyo's
earlier LA1060 device.
An auxiliary circuit keeps the main
antenna selected for a fixed time period when reception
conditions outside a moving vehicle are changing rapidly.
The LA1061M is available in surface-mount 8-pin DIPs,
facilitating construction of compact equipment. It operates
from a single 7 to 12V power supply.
Features
&127; Uses Sanyo's proprietary AGC amplifier and detector, providing accurate detection of multi-path distortion.
&127; High-current Main and Sub-antenna switching outputs.
&127; Antenna switching frequency limiting circuit.
&127; On-board comparators for F.E AGC (strong signal) and S-meter DC (weak signal) detection.
&127; Surface-mount 14-pin MFP.
CB Radio Banner
Exchange