Home

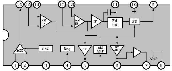
KIA6040P FM IF-Amplifier and Discriminator



PinNameDescription
1
2
3
4
5
6
7
8
9
10
11
12
13
14
15
16


CB Radio Banner Exchange