Home

IR3N06 Low Power Narrowband FM IF

IR3N06 is similar to MC3361, MC3371, MC3372, MC3357, LM3361, KT3361, KA3361 NJM3357

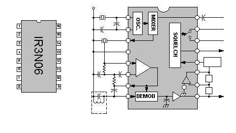
The IR3N06 is a low power narrow band FM detector integrated circuit for FM dual conversion of communication equipment. The IR3N06 includes oscillator, limiting amplifier, AFC circuit, quadrature detect, operational amplifier, squelch circuit, scan-control and muting switch.
PinNameDescription
1Crystal oscillator (10.245MHz)
2Crystal oscillator (10.245MHz)
3Mixer output to Filter (455kHz)
4VccPositive Supply Voltage
5Limiter input
6Decoupling
7Limiter output
8Quadrature Coil input
9Demodulator output
10IF Filter input
11IF Filter output
12Squelch input
13Scan Control
14Audio Mute
15GNDGround
16RF / MF input (10.7MHz)


CB Radio Banner Exchange