Home

Albrecht AE6080 CB-Radio

Albrecht AE6080 CB-Radio

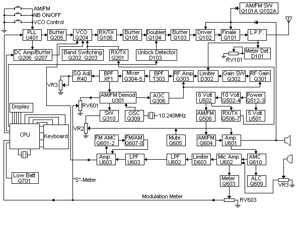
Albrecht AE6080 Block Diagram
Click on parts to view parts description
AE6080 PCB KTC2078 KTC1006 KIA6217AP Dual OP-AMP Dual OP-AMP
CT401: 3.600MHz PLL Reference Frequency
CT201 and T201: VCO Adjust - 2 Volt@Channel 1
T101,T102,T103L105: TX Power Adjust
T301,T302,T303,T304,T305: RX Adjust
T306: FM Demodulator (Discriminator)
RV101: TX-Meter
RV301: AGC
RV302: SQL
RV401: Volt meter
RV601: RXL
RV602: AMC
RV604: FM Modulation
RV605: Mic. Gain

Resistor and Jumper Setting:

U701Pin 4 <1 Volt
R709=None
R710=100kohm
Pin 4 <2 Volt
R709=220kohm
R710=100kohm
Pin 4 <3 Volt
R709=100kohm
R710=100kohm
Pin 4 <4 Volt
R709=39kohm
R710=100kohm
Pin 3 <1 Volt
R711=None
R712=100kohm
Sweden
31MHz
Italy
43MHz
240 Channels40 Channels
Pin 3 <2 Volt
R711=220kohm
R712=100kohm
Germany
80FM / 12AM
Poland
240 Channels
Poland
40 Channels
10 Meter
28MHz AM
29MHz FM
Pin 3 <3volt
R711=100kohm
R712=100kohm
Swiss
22 Channels
6 Meter240 Channels
+ 10 Meter

U701Pin 2=1 Volt
R707=None
R708=100kohm
Pin 2=1,9 Volt
R707=150kohm
R708=100kohm
Pin 2=3,1 Volt
R707=56kohm
R708=100kohm
Pin 2=4,4 Volt
R707=10kohm
R708=100kohm
ModeFM/AMAMFMAM/FM

ModeSW 1SW 2
FM 4 Watt - AM 4 WattShortShort
AM 4 Watt - AM 1 WattOpenShort
FM 4 WattOpenOpen