Home

WINScanner

Windows software for Ranger TR-296


WINScanner


Funtions:
Frequency range from 26,815MHz to 27,445MHz (26,815MHz to 28,085MHz)
Step Up and Step Down
Scan Up and Scan Down
Dual Watch
Repeater function (Split)
2 Memory Bank with 100 memories

System Requirements:
IBM PC compatible
Windows 16/32 bit and Windows NT operating system
1 MB of RAM, 1 MB of free disk space
TR296 Software
Ranger TR-296 CB-Radio

Price:
Few component`s
1 pcs. 25-Pin D-SUB Connector
1 pcs. NULL-Modem Cable



The connection to Printer port. 25-Pin Printer Connector Install a 25-pin D-SUB Male connector on the radio`s bottom cover, and use a NullModem cable to the computer`s printer port.
See Radio interfacing to Printer Port for more information about using PrinterPort.

Pin PrinterPort Direction Usage Connection to: Active H/L
2 Data 0 Out to radio   RCI-8719 pin 16 HIGH
3 Data 1 Out to radio   RCI-8719 pin 15 HIGH
4 Data 2 Out to radio   RCI-8719 pin 14 HIGH
5 Data 3 Out to radio   RCI-8719 pin 13 HIGH
6 Data 4 Out to radio   RCI-8719 pin 12 HIGH
7 Data 5 Out to radio   RCI-8719 pin 11 HIGH
8 Data 6 Out to radio   MB-8719 pin 10 HIGH
10 ACK In from radio PTT Switch Microphone connector Pin 5 LOW
11 Busy In from radio Squelch Control Souelch sircuit LOW
18 Ground   Ground RCI-8719 pin 18  


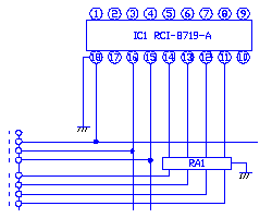
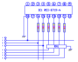
Before modification After modification
RCI-8719  Circuit
To protect the PrinterPort:
Cut the trace to RCI-8719 pin 10 to 16
RCI-8719  Circuit


and insert 5 pcs. 4,7kW resistors across the cutted traces.


Connection to the PrinterPort Squelch sircuit
RCI-8719 Connection Circuit To use the Scan function you need connection to the Squelch sircuit.
Use a BC107 or similar NPN Transistor (Not critical)
and a 4,7kW resistor and connect it to TR12 Base.

Use also a 1N4148 or similar diode to protect the input fron the PTT-Switch.


Modification for frequency range
26,815MHz to 28,085MHz

Change RCI-8719 with MB-8719.
If pin 10 is connected, cut the trace and insert 4,7kohm resistors across.
Connect PrinterPort pin 8 to MB8719 pin 10.
Setup
Go to Setup and click on MB8719

User Manual



Software:
TR296.EXE and install the file under C:\TR296\
Inpout16.DLL and install the file under C:\WINDOWS\SYSTEM\
VBRUN300.DLL and install the file under C:\WINDOWS\SYSTEM\

Saving files:
PC: Right-click on link and choose "Save File As"
Mac: Click and hold on link and choose "Save File As"